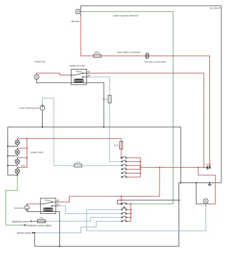
Beginning as a bone stock 1991 BMW Z3, I completed a full drivetrain swap pulled from a 1975 c3 Corvette with a 350 Small Block Chevy and a TH400 transmission, all original wiring was retained and no functionality was lost even keeping power steering capabilities with an electric pump pulled from a Volvo

A full technical write up of the process step by step was made and can be accessed at https://zroadster.org/threads/small-block-chevy-v8-swapped-z3.75511/

specific threads can be found at

https://zroadster.org/threads/running-working-heat-on-an-engine-swap.76851/ in regards to working heat on an engine swapped z3

https://zroadster.org/threads/electric-power-steering-pump-conversion.75569/ in regards to the Volvo electric power steering pump conversion

https://zroadster.org/threads/engine-swap-problems-solutions-general-challenges.76849/ in regards to general issues you might face if tackling a similar swap

Next
Next

Custom Single Turbo M44 setup